convient pour montage : sur plan
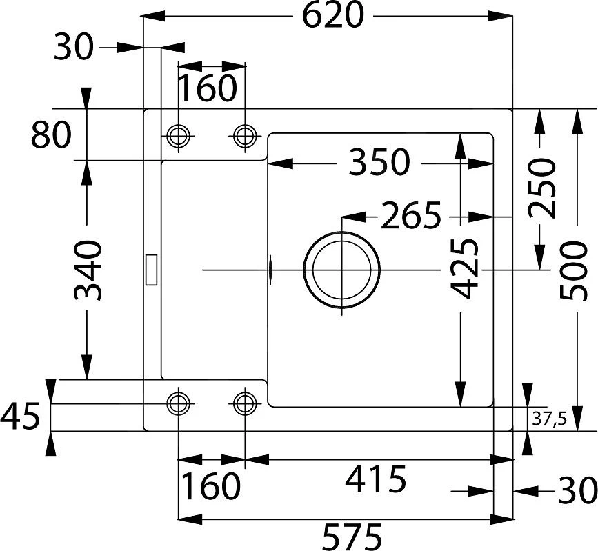
Dimensions :
620 × 500 mm
découpe : 600 × 480 mm
évier : 350 × 425 × 200 mm
Le prix comprend les éléments suivants :
– bonde à panier 3 1/2“ avec trop-plein
– siphon compact 6/4“ avec prise pour lave-vaisselle
– possibilité de placer un distributeur de détergent
NOUVEAUTÉ ! – 4 emplacements de perçage
Attention ! Positionnement du distributeur après ajustement du sous-meuble à partir de 600 mm – Image non contractuelle
Ce produit peut vous être livré sans l’emballage d’origine. La raison est de protéger le produit contre les dommages pendant le transport.


















Avis
Il n’y a pas encore d’avis.